欢迎访问领先材料检测技术(深圳)有限公司
手机网站
首页
关于我们
公司简介
服务流程
服务领域
高分子材料
金属材料
化工产品
汽车材料
电子材料
未知物
项目详解
成分分析
元素分析
异物分析
牌号鉴定
配方分析
红外
原理背景
标准操作
案例报告
结果输出
实际应用
文章分享
镀层分析
元素分析
石棉鉴定
其他
热分析
联系我们
报告查询
18682224565
0755 23724544
您现在的位置:
首页
>>
项目详解
>>
异物分析
项目详解
成分分析
元素分析
异物分析
牌号鉴定
配方分析
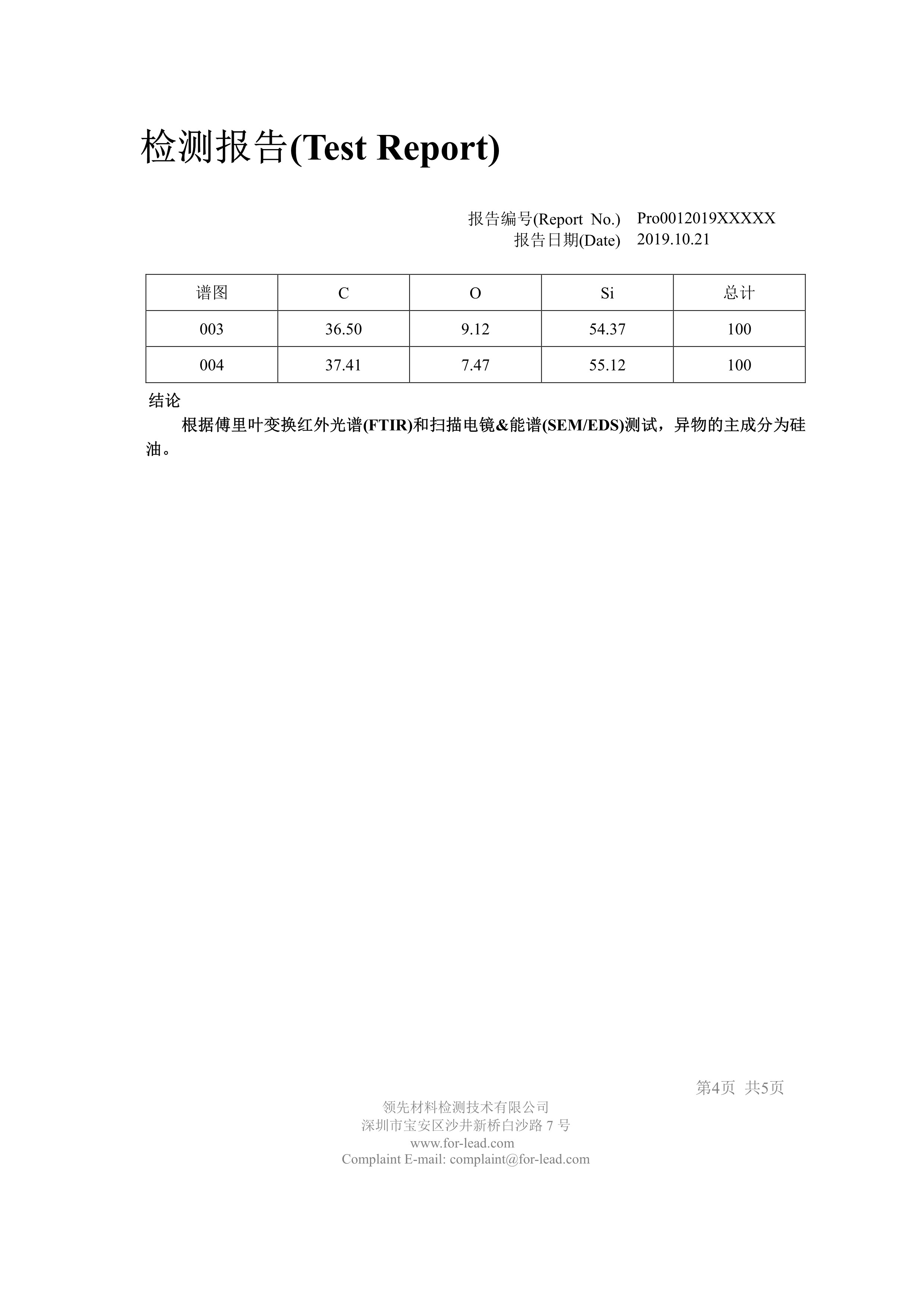
异物分析报告模板
时间:2023-04-17
上一篇:
异物测试案例介绍—塑料表面异物
下一篇:
异物分析